
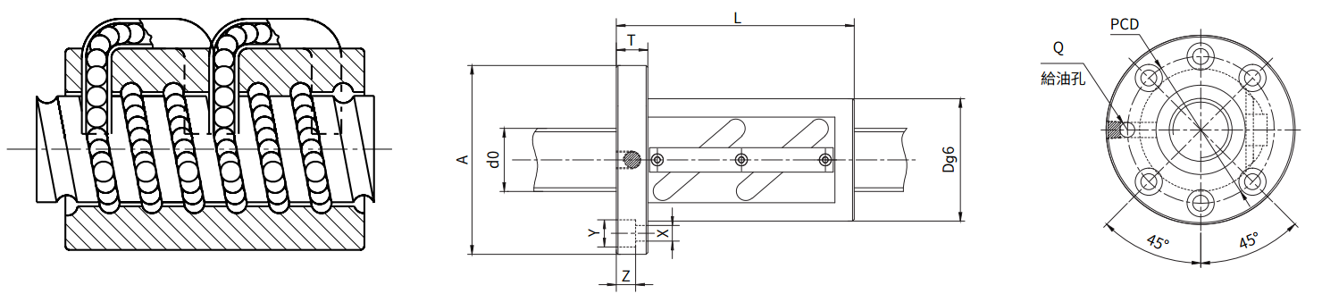
| 呼び型番 | ねじ軸 | リード | ボール | 負荷 | 基本定格荷重 | 軸方向 | ナット寸法 | CADデータ | 呼び型番 | |||||||||
| 外径 | 直径 | 回路数 | 動定格Ca | 静定格>Coa | 剛性(K) | フランジ径 | 外径 | 全長 | 2D | 3D | ||||||||
| do | Ph | DW | 列×巻 | KN | KN | N/μm | D1 | D4(g6) | L | T | X×Y×Z | PCD | Q | dxf | IGES | STEP | ||
| BSF3605G | 36 | 5 | 3.175 | 4×2.5 | 36.5 | 139 | 1451 | 100 | 65 | 89 | 15 | 9×14×8.6 | 82 | M6 | BSF3605G | |||
| BSF3606G | 36 | 6 | 3.969 | 4×2.5 | 50 | 174 | 1506 | 100 | 65 | 102 | 15 | 9×14×8.6 | 82 | M6 | BSF3606G | |||
| BSF3610G | 36 | 10 | 6.35 | 2×2.5 | 51 | 134 | 813 | 93 | 58 | 122 | 20 | 9×14×8.6 | 76 | M6 | BSF3610G | |||
| BSF4005G | 40 | 5 | 3.175 | 3×2.5 | 29.7 | 116 | 1205 | 101 | 67 | 76 | 15 | 9×14×8.6 | 83 | M6 | BSF4005G | |||
| BSF4006G | 40 | 6 | 3.969 | 4×2.5 | 52 | 193 | 1629 | 104 | 70 | 102 | 15 | 9×14×8.6 | 86 | M6 | BSF4006G | |||
| BSF4008G | 40 | 8 | 4.763 | 4×2.5 | 67 | 232 | 1684 | 108 | 74 | 130 | 15 | 9×14×8.6 | 90 | M6 | BSF4008G | |||
| BSF4010G | 40 | 10 | 6.35 | 2×2.5 | 53.5 | 150 | 885 | 124 | 80 | 103 | 18 | 11×17.5×10.6 | 102 | M6 | BSF4010G | |||
| BSF4012G | 40 | 12 | 7.938 | 3×2.5 | 101 | 278 | 1332 | 128 | 86 | 149 | 18 | 11×17.5×10.6 | 106 | M6 | BSF4012G | |||
| BSF4016G | 40 | 16 | 7.144 | 2×2.5 | 62.5 | 169 | 906 | 96 | 65 | 133 | 16 | 9×14×8.6 | 80 | M6 | BSF4016G | |||
| BSF4510G | 45 | 10 | 6.35 | 2×1.5 | 38 | 108 | 630 | 132 | 88 | 91 | 18 | 11×17.5×10.6 | 110 | M8×1 | BSF4510G | |||
| BSF5006G | 50 | 6 | 3.969 | 2×2.5 | 31.5 | 121 | 1006 | 118 | 84 | 68 | 15 | 9×14×8.6 | 100 | M8×1 | BSF5006G | |||
| BSF5010G | 50 | 10 | 6.35 | 2×2.5 | 59.5 | 190 | 1067 | 135 | 80 | 103 | 18 | 11×17.5×10.6 | 113 | M8×1 | BSF5010G | |||
| BSF5012G | 50 | 12 | 7.938 | 4×2.5 | 146 | 470 | 2118 | 128 | 80 | 193 | 22 | 14×20×13 | 104 | M8×1 | BSF5012G | |||
| BSF6306G | 63 | 6 | 3.969 | 2×2.5 | 34 | 153 | 1203 | 142 | 100 | 73 | 18 | 9×14×8.6 | 120 | M8×1 | BSF6306G | |||
| BSF6308G | 63 | 8 | 4.763 | 2×2.5 | 44.5 | 184 | 1238 | 146 | 104 | 89 | 18 | 9×14×8.6 | 124 | M8×1 | BSF6308G | |||
| BSF6310G | 63 | 10 | 6.35 | 2×2.5 | 67 | 246 | 1304 | 154 | 108 | 107 | 22 | 14×20×13 | 130 | M8×1 | BSF6310G | |||

表に示す軸方向剛性値(K)は軸方向基本動定格荷重(Ca)の10%の軸方向荷重かけた時の 溝とボール間の弾性変形から求めた理論値です。 軸方向荷重(Fa)が10%Caと異なる場合は次の式のより求められます。